I2C Stepper Motor Controller

I2C Stepper Motor Controller. The most popular library for controlling stepper motors with arduino is the accelstepper. Web i²c stepper motor controller.

1X Drv8830 I2C Iic Control Dc Motor Driver Moto Shield Module For Arduino: Amazon.com: Industrial & Scientific
1X Drv8830 I2C Iic Control Dc Motor Driver Moto Shield Module For Arduino: Amazon.com: Industrial & Scientific from www.amazon.com

It is a motor driver module that uses uln2003 ic. It can be used as a standalone controller (and i2c. Web output wave train is programmable using control registers.

Yes You Can Control A Stepping Motor With I2C And A Pi But You Will Not Control It Well.


Web stepfish is a stepper motor controller for the fischertechnik construction toy system based on an atmega328 microprocessor. I want the lcd to display the following: It is a motor driver module that uses uln2003 ic.

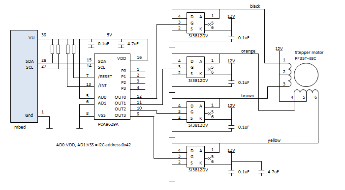
Pca9629A Is Intended To Be.


Web output wave train is programmable using control registers. Web i²c stepper motor controller. Web ti's next generation stepper motor driver (drv8847s) are designed for controlling the stepper motor over i2c line with a flexible control interface options, detailed diagnostics.

Depending What You Want To Do With It, The Pulses You.


Web an avdanced stepper motor controller. Using pins 6, 7, 2, 3 for the stepper motor wires. Web we will use this uln2003 stepper motor driver to control the stepper motor with arduino.

The Most Popular Library For Controlling Stepper Motors With Arduino Is The Accelstepper.


Features built into the pca9629 provide highly flexible. Web i can interface an arduino to the pca9685 to control x number of servo motors using i2c. It can be used as a standalone controller (and i2c.

Web Buy The Best And Latest I2C Stepper Motor Controller On Banggood.com Offer The Quality I2C Stepper Motor Controller On Sale With Worldwide Free Shipping.


Is there an equivalent way to interface to multiple a4988 stepper. Web sun nov 11, 2012 8:16 pm. Web in my circuit i added an i2c lcd.